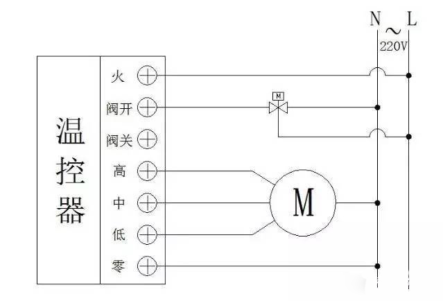
温控器开关接线图及原理是什么呢

其工作原理是通过温度传感器对环境温度自动进行采样、即时监控,当环境温度高于控制设定值时控制电路启动,可以设置控制回差。如温度还在升,当升到设定的超限报警温度点时,启动超限报警功能。当被控制的温度不能得到有效的控制时,为了防止设备的毁坏还可以通过跳闸的功能来停止设备继续运行。主要应用于电力部门使用的各种高低压开关柜、干式变压器、箱式变电站及其他相关的温度使用领域。
===========================
凯亿网宣办:赵 2024.3.4
===========================